Product BI15R-W30-DAN6X-H1141
Inductieve sensor
ringsensor
Bestelnummer: 14041- rechthoekig, 30 mm hoogte
- kunststof, PA12-GF30
- Impulsduur 100 ms
- Gevoeligheidsinstelling met potentiometer
- DC 3-draads, 10...30 VDC
- dynamisch uitgangsgedrag
- N.O., NPN-uitgang
- connector, M12 x 1

Algemene gegevens
| EAN | 4047101068658 |
| eCl@ss-Code (V5.1.4): | 27270101 -/- inductieve naderingsschakelaar |
| Goederencode | 85365019000 |
| Land van herkomst | DE |
| Gewicht | 79 g |
Technische gegevens
| Bouwvorm | ringsensor |
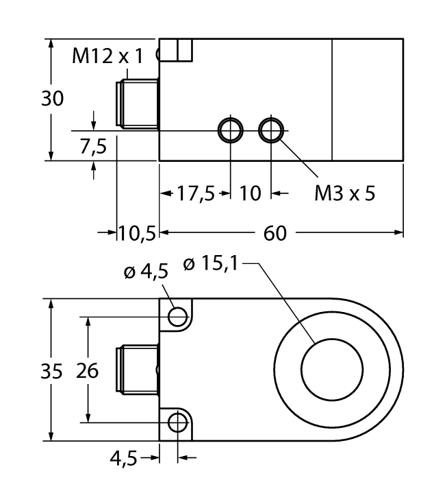
| Bouwgrootte | 60 x 35 x 30 mm, W30 |
| Interne ringdiameter D | 15.1 mm |
| Bedrijfsspanning | 10…30 VDC |
| Uitgangsfunctie | N.O.-contact, NPN |
| Schakelfrequentie | 0.0080 kHz |
| Elektrische aansluiting | Connector, M12 × 1 |
| Materiaal behuizing | Kunststof, PA12-GF30 |
| Omgevingstemperatuur | -25…+70 °C |
| Beschermingsgraad | IP67 |
| Bijzondere kenmerken | Ringsensor, dynamische uitgang |
Data Sheets
CAD-bestand
EPLAN Electric P8
Aansluittoebehoren
|
RKC4T-2/TEL
Aansluitkabel, M12-contraconnector, recht, 3-polig, kabellengte: 2 m, mantelmateriaal: Pvc, zwart; cULus-goedkeuring |
6625010 |

