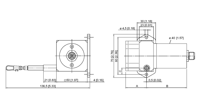
Product DW500-70-PA-H1441
Trekkoordencoders
Bestelnummer: 1544536- Meetbereik tot 500 mm
- M12-connector
- Meetprincipe: potentiometer
- Beschermingsklasse: IP65 (encoder)
- potentiometrische uitgang 1k Ohm
- voedingsspanning max. 30 VDC

Algemene gegevens
| EAN | 4047101256819 |
| eCl@ss-Code (V5.1.4): | 27270790 -/- sensor voor lengte, afstand (niet geklassificeerd) |
| Goederencode | 90318020000 |
| Land van herkomst | DE |
| Gewicht | 569 g |
Technische gegevens
| Bouwvorm | Trekkoordencoder |
| Meetbereik | 500 mm [19.69 in] |
| Bedrijfsspanning | 0…30 VDC |
| Uitgangsfunctie | Potentiometer |
| Elektrische aansluiting | Connector, M12 × 1 |
| Materiaal behuizing | titaan geanodiseerd aluminium |
| Omgevingstemperatuur | -20…+85 °C |
| Beschermingsgraad | IP65 |

