Product BI2-EH6.5K-AP6X-V1131
Inductieve sensor
met verhoogde schakelafstand
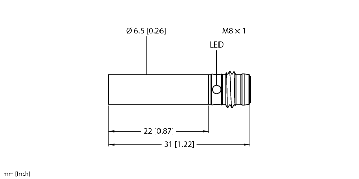
Bestelnummer: 4610020- Gladde buis, 6,5 mm diameter
- Roestvast staal, 1.4305 (AISI 303)
- groot detectiebereik
- DC 3-draads, 10...30 VDC
- N.O., PNP-uitgang
- connector, M8 x 1

Algemene gegevens
| EAN | 4047101155068 |
| eCl@ss-Code (V5.1.4): | 27270101 -/- inductieve naderingsschakelaar |
| Goederencode | 85365019000 |
| Land van herkomst | LK |
| Gewicht | 7 g |
Technische gegevens
| Bouwvorm | gladde behuizing |
| Bouwgrootte | Ø 6.5 mm |
| Nominale schakelafstand | 2 mm |
| Inbouwvoorwaarden | Bondig |
| Bedrijfsspanning | 10…30 VDC |
| Uitgangsfunctie | N.O.-contact, PNP |
| Schakelfrequentie | 3.0 kHz |
| Elektrische aansluiting | Connector, M8 × 1 |
| Materiaal behuizing | roestvast staal, 1.4305 (AISI 303) |
| Omgevingstemperatuur | -25…+70 °C |
| Beschermingsgraad | IP67 |
| Bijzondere kenmerken | Sn + |
Data Sheets
CAD-bestand
EPLAN Electric P8
Aansluittoebehoren
|
PKGV3M-2/TEL
Aansluitkabel, M8-contraconnector, recht, 3-polig, roestvaststalen moer, kabellengte: 2 m, mantelmateriaal: Pvc, zwart; cULus-goedkeuring |
6625385 |

