Product BMWS8251-8.5
Confectioneerbare connector
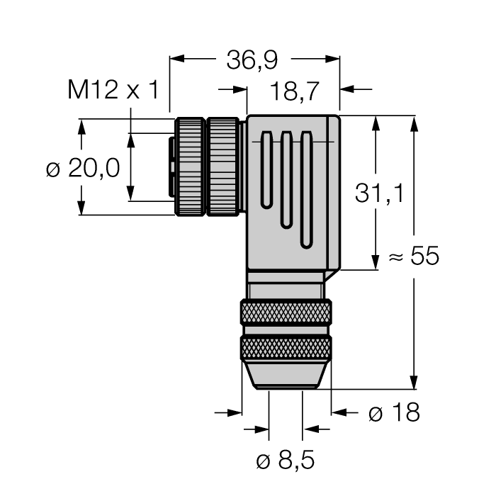
Contraconnector M12 × 1, haaks
Bestelnummer: 6904723- Voor gebruik in PROFIBUS DP-toepassingen
- Tot 12 Mbps
- Afscherming via irisveer
- B-codering
- Metalen behuizing
- schroef-/klemaansluiting
- 5-polig
- metrische schroefdraad M18 x 1
- kabeldiameter 6.0 … 8.5 mm

Algemene gegevens
| EAN | 4047101458558 |
| eCl@ss-Code (V5.1.4): | 27279201 -/- aansluittechniek (toebehoren sensoren) |
| Goederencode | 85366990990 |
| Land van herkomst | DE |
| Gewicht | 73 g |
Technische gegevens
| Netwerkprotocol | PROFIBUS-DP |
| Apparaattype | Confectioneerbare connector |
| Certificaten | cULus erkend |
Data Sheets
Algemene catalogus
CAD-bestand
Certificaat/Verklaring
| UL-certificaat | 400 KB |
| EG-conformiteitsverklaring | 120 KB |
| RoHS en REACH-verklaring van de fabrikant | 280 KB |

