Product  RA-MW-B0-6.5-PS1-6

Toebehoren

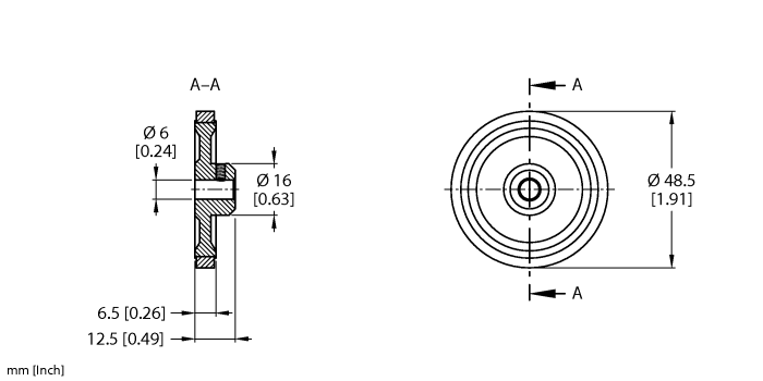
Meetwiel

voor encoders met volle as

Bestelnummer: 100038300
    • Voor lengtemeting
    • Omtrek: 6″
    • Materiaal: Aluminium
    • Oppervlak: Polyurethaan, glad
    • Toepassingsgebied: ingevette metalen, staalprofielen, gelakte oppervlakken, kunststoffen, karton, hout, textiel, draad, leer
#

Algemene gegevens

EAN 4047101593341
eCl@ss-Code (V5.1.4): 27279090 -/- sensoren (andere, niet geklassificeerd)
Goederencode 76169990990
Land van herkomst DE
Gewicht 26  g

Technische gegevens

Type toebehoren Meetwiel
Voor gebruik met Encoders
Omgevingstemperatuur -30…+80 °C

Select Country

Turck worldwide

to top