Product SI2-K08-Y1
Inductieve sensor
sleufvormig
Bestelnummer: 1007700- sleufsensor, 8mm hoogte
- Kunststof, polypropyleen
- uitneembare mechanische eindaanslag voor analoge wijzerinstrumenten
- DC 2-draads, nom. 8,2 VDC
- Uitgang volgens EN 60947-5-6 (NAMUR)
- Draadaansluiting, grotendeels ommanteld
- ATEX-categorie II 1 G, Ex-zone 0
- ATEX-categorie II 1 D, Ex-zone 20
- SIL2 (modus voor lage vraag) conform IEC 61508, PL c conform ISO 13849-1 bij HFT0
- SIL3 (modus voor volledige vraag) conform IEC 61508, PL e conform ISO 13849-1 met redundante configuratie HFT1

Algemene gegevens
| EAN | 4047101144932 |
| eCl@ss-Code (V5.1.4): | 27270101 -/- inductieve naderingsschakelaar |
| Goederencode | 85365019000 |
| Land van herkomst | PL |
| Gewicht | 18 g |
Technische gegevens
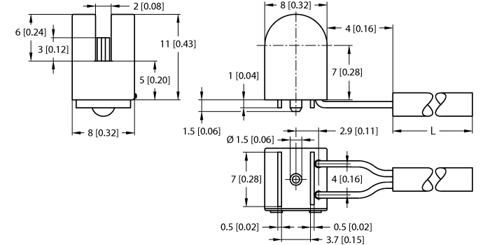
| Bouwvorm | sleufsensor |
| Bouwgrootte | 11 x 15 x 8 mm, K08 |
| Sleufbreedte | 2 mm |
| Bedrijfsspanning | nom. 8.2 VDC |
| Uitgangsfunctie | NAMUR |
| Schakelfrequentie | 2.50 kHz |
| Elektrische aansluiting | Draden |
| Kabellengte | 0.210 m |
| Materiaal behuizing | Kunststof, PP |
| Omgevingstemperatuur | -25…+70 °C |
| Beschermingsgraad | IP67 |
| Certificaten | ATEX II 1 G, ATEX II 2 G, ATEX II 3 G, ATEX II 1 D, ATEX II 2 D, ATEX II 3 D, SIL2, PLc |
Data Sheets
Certificaat/Verklaring
EPLAN Electric P8
SIL-verklaring
Veiligheidshandboek
Functietoebehoren
|
IMX12-DI01-2S-2T-0/24VDC
scheidingsschakelversterker; tweekanalig; SIL2 volgens IEC 61508; Ex-uitvoering; 2 transistoruitgangen, ingang Namur signaal; uitschakelbare draadbreuk- en kortsluitbewaking; programmeerbaar op arbeidsstroom- en ruststroomgedrag; signaalverdubbeling; afneembare schroefklemmen; 12,5 mm breedte; 24VDC voedingsspanning |
7580020 |

