Product BI7-Q08-LIU
Inductieve sensor
met analoge uitgang
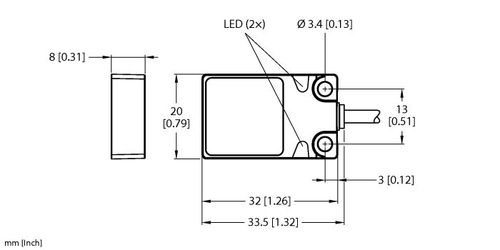
Bestelnummer: 1534605- Rechthoekig, hoogte 8 mm
- Actief vlak bovenaan
- Metaal, Zamac vernikkeld
- 4-draads, 15...30 VDC
- analoge uitgang
- 0...10 V en 0...20 mA
- kabelaansluiting

Algemene gegevens
| EAN | 4047101145861 |
| eCl@ss-Code (V5.1.4): | 27270802 -/- inductieve afstandssensor |
| Goederencode | 85365019000 |
| Land van herkomst | PL |
| Gewicht | 37 g |
Technische gegevens
| Bouwvorm | Rechthoekig |
| Bouwgrootte | 32 x 20 x 8 mm, Q08 |
| Meetbereik | 1…4 mm |
| Inbouwvoorwaarden | Bondig |
| Bedrijfsspanning | 15…30 VDC |
| Uitgangsfunctie | Analoge uitgang |
| Spanningsuitgang | 0…10 V |
| Stroomuitgang | 0…20 mA |
| Elektrische aansluiting | Kabel |
| Kabellengte | 2.0 m |
| Materiaal behuizing | metaal, Zamak, vernikkeld |
| Omgevingstemperatuur | -25…+70 °C |
| Beschermingsgraad | IP68 |
Data Sheets
CAD-bestand
EPLAN Electric P8
Functietoebehoren
|
IM43-13-SR
Grenswaardensignaalgever; eenkanalig; ingang 0/4...20mA of 0/2...10V; voeding van een tweedraads- of driedraadstransmitter/sensor; grenswaardeninstelling via Teach-drukknop; drie relaisuitgangen met telkens een N.O.; afneembare klemmenblokken; 27 mm breedte; universele bedrijfsspanning 20...250VUC; zie catalogus Interfacetechniek voor meer grenswaardensignaalgevers |
7540041 |

