Product BI5U-Q08-AP6X2-V1131
Inductieve sensor
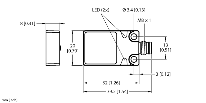
Bestelnummer: 1608900- Rechthoekig, hoogte 8 mm
- Actief vlak bovenaan
- Metaal, Zamac vernikkeld
- Factor 1 voor alle metalen
- Beschermingsklasse IP68
- Magneetveldvast
- Uitgebreid temperatuurbereik
- Hoge schakelfrequentie
- DC 3‐draads, 10…30 V DC
- N.O., PNP-uitgang
- Connector M8 × 1 / Ø 8 mm

Algemene gegevens
| EAN | 4047101146882 |
| eCl@ss-Code (V5.1.4): | 27270101 -/- inductieve naderingsschakelaar |
| Goederencode | 85365019000 |
| Land van herkomst | PL |
| Gewicht | 16 g |
Technische gegevens
| Bouwvorm | Rechthoekig |
| Bouwgrootte | 32 x 20 x 8 mm, Q08 |
| Nominale schakelafstand | 5 mm |
| Inbouwvoorwaarden | Bondig |
| Bedrijfsspanning | 10…30 VDC |
| Uitgangsfunctie | N.O.-contact, PNP |
| Schakelfrequentie | 0.250 kHz |
| Elektrische aansluiting | Connector, M8 × 1/Ø 8 mm |
| Materiaal behuizing | metaal, Zamak, vernikkeld |
| Omgevingstemperatuur | -30…+85 °C |
| Beschermingsgraad | IP68 |
| Bijzondere kenmerken | uprox+, Factor 1, Magneetveldvast |
Data Sheets
CAD-bestand
EPLAN Electric P8
Productflyer
Aansluittoebehoren
|
PKG3S-2/TEL
Aansluitkabel, contraconnector Ø 8 mm, klikbevestiging, recht, 3-polig, kabellengte: 2 m, mantelmateriaal: Pvc, zwart; cULus-goedkeuring |
6627330 |

